HCM-200整體式提手,重量輕,平衡的設計使得機器可以被一只手移動。平衡設計使得機器切割時平穩,允許從機器到標準割炬上下有18英寸的傾斜距離,且平衡力不是必需的。錐形盤驅動器具有延長摩擦盤驅動器壽命的自動磨損調整機構。旋鈕和杠桿被嵌入以增加保護。球軸承或特殊軸套被用在所有危險位置。所有旋轉軸運行于永久潤滑軸承。
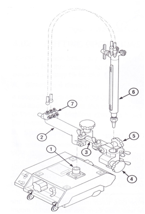
HCM-200標準割炬炬和歧管檔塊的安裝見圖

(1) 安裝在外殼安裝面。滑動齒條手柄組件
(2)越過單頭割炬底座,并用定位螺釘將其固定。齒條手柄組件可以自由地旋轉,直到夾緊螺栓被擰緊。插入齒條組件
(3),以使齒條正確地嚙合齒條手柄組件中的小齒輪。將割炬夾持器組件
(4)連接至割炬軸轉向節
(5)其裝配在齒條組件的圓端。離開這些點的夾緊螺釘,略微寬松地調整。然后,定位調整后牢固擰緊。
(6)將割炬插入割炬夾持器,讓割炬齒條正確地嚙合割炬夾持器的調節齒輪。擰緊割炬夾持器的翼型螺母以牢固地夾持割炬,但是允許用調節旋鈕垂直調整割炬。可使用雙管或三管割炬。將歧管檔塊
(7)插入到齒條手柄組件的一端。將適當的軟管接頭旋進歧管檔塊的入口。在中心對孔使用燃氣軟管接頭,在外側兩對孔使用氧氣軟管接頭。將所需的軟管從歧管檔塊連接到割炬。如果使用的是雙管割炬,忽略右側軟管。
機器規格
|
外形尺寸 |
外形尺寸見下圖1 |
|
容量 |
切割長度:最大72英寸(1829mm) 圓弧直徑:4英寸到96英寸(102-2438 mm) |
|
速度范圍 |
HCM-200和HCM-200HT: 每分鐘1~ 60 英寸(每分鐘25 -1524 mm ) HCM-200HS: 每分鐘5~120英寸 (每分鐘127-3048 mm) |
|
功率要求 |
115V 42A 60HZ, 單相E型號;200V.23A 50HZ/.21A 60HZ,單相 |
|
重量 |
牽引裝置: 30.5 磅 (13.8Kg) 配備傳動裝置的牽引裝置: 37.5 磅 (17.0Kg) |